

笔者还看到了这样一些数据:
1953年1月20日的《劳动保险条例实施细则修正草案》第51条规定:女职工有4周岁以内的子女人数在20人以上的企业,就需要设立托儿所,房屋、设备、保育员工资由企业或资方支付,儿童餐饮费用由父母支付。
1956年,农村的农忙托儿所的收托儿童已经达到600多万名。
1958年,我国通过了《关于人民公社若干问题的决议》,提出了人民公社要办好托儿所和幼儿园,使每一个孩子比在家里生活得更好、教育得更好。
沿着毛.主.席既定的路线,到1980年,全国城乡婴幼儿入托人数为3400多万人,入托率达到了28.2%。

笔者简单总结出了毛时代城市国企托儿所和人民公社季节性托儿所的优越性:减轻了家庭负担;减轻了妇女负担,让她们有更多的时间精力参加政治生活、生产劳动、文化教育活动;集中养娃更节约社会财富;有助于社会化大生产的深入发展;有助于增强婴幼儿的体质和身心健康;有助于培养共产主.义接.班.人;有助于增强了社会凝聚力……

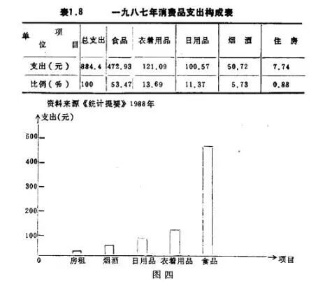
再比如,笔者还看到了一份《统计提要》,1987年城镇居民的住房支出为7.74元,还不足烟酒消费的七分之一:

是的!
对于咱们中国人来说,曾经在长达近50年的时间里,享受过超低的住房:国企工人免费分配住房,农村的人民公社也会帮助新婚夫妇修建房屋。
哪怕到了20世纪八九十年代了,房租才占整个消费品支出的0.88%,基本相当于住房免费了。

老百姓用于住房的费用如此少,当然可以有更多钱用于育儿、养老、消费以及自己的充电提高了!
在这样的环境下,家庭矛盾自然也是很少的,离婚率自然也就低了!

相较与封建生产关系,我们说资.本主.义让人从封建族.权、神.权和道德观念下解.放出来,是一种历史的进步。
但,我们也清楚的认识到,这种解.放只有少部分的资.产阶.级才能享受到。比如,因为一少部分人在政.治和经济方面的超强优势,他们可以在婚姻领域拥有优先的择偶权。
更为重要的是,在资.本主.义塑造的赤裸裸的金钱关系中,恋爱结婚也变成了买卖市场,门当户对、待价而沽、钓金龟婿、天价彩礼、凤凰男、丈母娘经济,很多人希望通过婚姻来改变自己的阶.级地位,自私自利、拜金主.义、享乐主.义、个人主.义等思想,更是让强调相互关心、相互爱护的家庭关系,矛盾层出不穷。
没有了互爱的婚姻,建立在利己主.义基础上的婚姻,注定只能是一个悲剧性的婚姻。
马克思认为:以通.奸和卖.淫为补充的一夫一妻制,是与当代文明时代相适应的。
这种适应,是适应了资.本主.义的生产方式,是适应资.产阶.级的意.识.形.态,是适应资.本.家对无产阶.级的剥.削、压.迫和奴.役的!
而在社会主.义社会,不仅全体人民真正实现了经济、政.治和文化的彻底解.放;而且人在公有制条件下的道德水平普遍提高,婚姻成为了两个自由人的自愿结合,是相同价值观的人结合在一起为革.命而奋斗、为人民而服务,也自然少了许多家庭生活中的磕磕碰碰!
在毛时代,人们结婚的目的不是为了跳出自己的阶.级出身,而是为了与志同道合的爱人结合,这就从一开始奠定了家庭生活美满的强大基石。
在毛时代,夫妇相敬如宾,人们不仅考虑自己家庭的利益,更要把自己和集体的、国家的前途发展相联系,开阔的视野和期待,崇高理想的引领和激发,就使人不只盯着自己家的一亩三分地,矛盾自然就少了。


四、关于矛盾处理机制
在西方资.本主.义国家,人与人的矛盾处理全都一股脑的交给了个人,实在激烈的不行了就交给法律,如果法律再解决不了问题那就只能交给个人手中的枪了,这就造成了社会治理代价极高,社会混乱不堪。
而在毛时代,无论是家庭矛盾还是社会矛盾,因为有全民的参与,都能得到提前介入、提前解决,把矛盾消弭在萌芽阶段。
比如夫妻两个有了矛盾,不仅仅双方的父母会介入,国企领.导、工.会、妇联、社区、村长、德高望重的老同.志等等都会知晓,并付出心血解决矛盾;家庭有困难,集体会送出温暖;心里有过不去的坎,有人会来跟您谈心,开导你;夫妻双方如果是党.员,还会在民.主.生.活会中,展开批评与自我批评——这就使得极少数的家庭会走到离婚的绝路上去,需要诉.讼离婚的那就更少更少了!
一个稳固的、温情脉脉的社会关系网,也是离婚率减少的重要原因啊!

而今天,虽然在西方资.本主.义国.家,比如英国有长达9个月的离婚冷静期,但在这9个月中,只能依靠自己的冷静,“原子化”的状态下,周围人的参与是很少的,所以也不能遏制离婚率上涨的总趋势!
驾驭美好